LIAG

Liag Pulvermix ventil Venturi - Manuel

Venturi

Liags venturiventiler er designet til at sørge for et jævnt flow af pulver gennem ventilen. Den midterste port er orienteret i en 135°/45° vinkel i forhold til den lige gennemgang. Y-konfigurationen af indløbet skaber de ideelle flow- og vakuumudstødningsforhold til proportionering og dosering. Dette skaber fuldt flow uden at reducere den nominelle diameter, som det ofte ses ved tilfældet af anvendelse af butterflyventiler. Derudover kan venturiventilen erstatte op til to butterflyventiler, hvilket forbedrer betjeningskontrollen af enheden. 

  • Ingen tryktab
  • Ingen døde områder
  • Kan serviceres uden afmontering
  • Få reservedele
  • Ingen produkttab i ventilen

Udvalgt variant

Udvalgt variant

Specifikationer

Hus AISI 316L
Materiale Lukker PTFE
Materiale O-ring EPDM fødevaregodkendt, FKM, FEP
Overfladeruhed 0,8 RA
Temperaturområde til 110 °C
Tilslutning DN65
Trykområde 120BAR - 0..20 bar

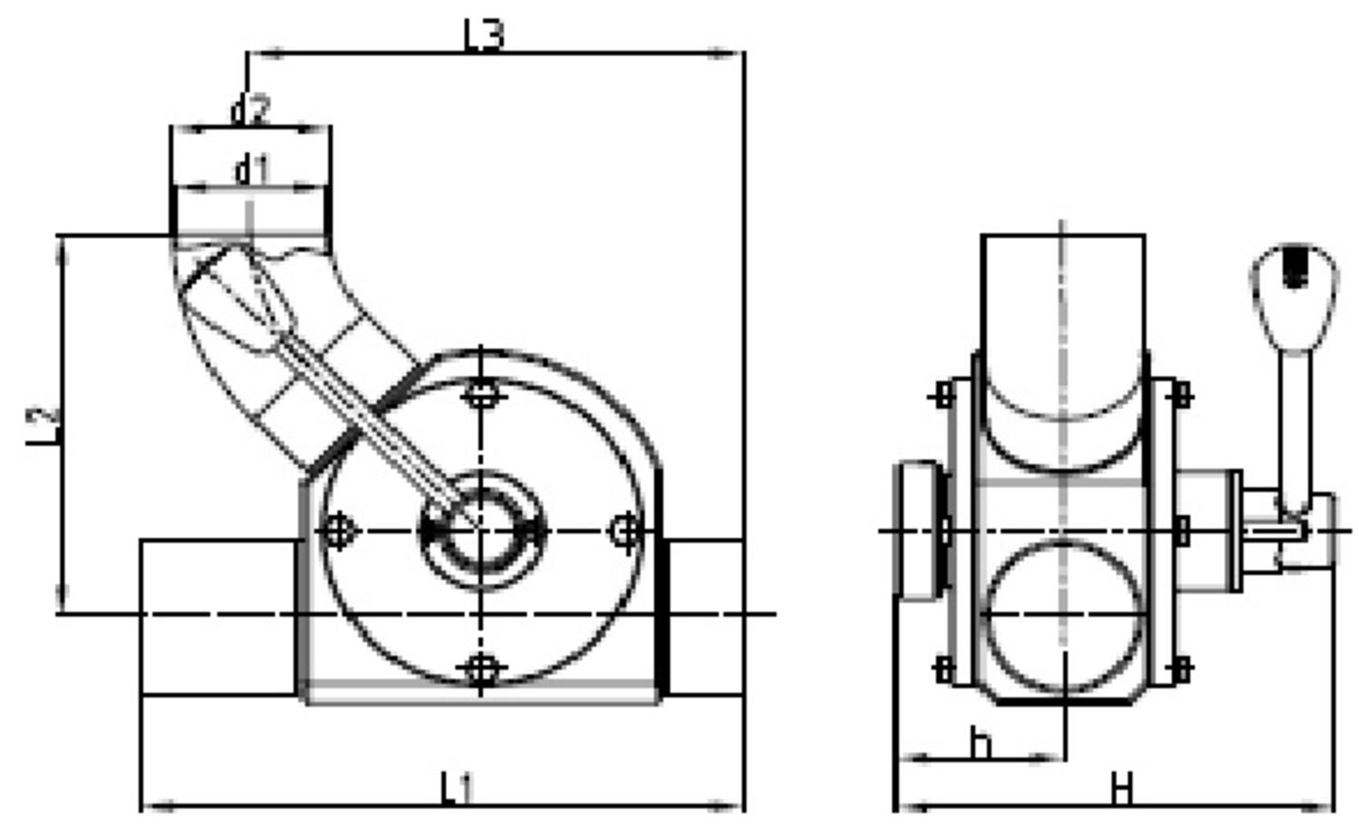
Mål & tilslutninger

Tekniske illustrationer

Produktbeskrivelse

Liags venturiventiler er designet til at sørge for et jævnt flow af pulver gennem ventilen. Den midterste port er orienteret i en 135°/45° vinkel i forhold til den lige gennemgang. Y-konfigurationen af indløbet skaber de ideelle flow- og vakuumudstødningsforhold til proportionering og dosering. Dette skaber fuldt flow uden at reducere den nominelle diameter, som det ofte ses ved tilfældet af anvendelse af butterflyventiler. Derudover kan venturiventilen erstatte op til to butterflyventiler, hvilket forbedrer betjeningskontrollen af enheden. 

Tilbehør

Relaterede produkter

Lær mere om fødevarer_Listing
Tips og guides

Fødevarer - Hygiejne & proceskontrol

Når det kommer til komponenter, der skal anvendes i fødevareproduktion, sætter vi kvalitet og sikkerhed i højsædet for at sikre, at de lever op til de højeste standarder og følger branchens regler. Ved valg af komponenter er materialevalg, korrekt godkendelse, kompatibilitet og pålidelighed helt afgørende faktorer i denne branche. Hver komponent skal vælges omhyggeligt og tilpasses for at imødekomme de strenge krav, der stilles.

Smart-Line af Zimmerlin
Produktnyheder

Tankdæksler på rekordtid med Smart-Line

Nu kan du få præfabrikerede og konfigurerbare trykdæksler leveret på kun 2 uger – en hurtig og fleksibel løsning, der sparer dig både tid og besvær.

Omkostningseffektiv niveaumåling
Produktnyheder

Omkostningseffektiv og pålidelig niveaumåling med Rosemount 1208 niveau- og flowradar

Efterhånden som kravene til pålidelig niveau- og flowmåling stiger, bliver behovet for smartere og mere robust teknologi stadig vigtigere. Med Rosemount 1208 niveau- og flowradar præsenterer vi hos OEM Automatic en ny, berøringsfri niveauradar, der kombinerer høj præcision med nem installation – uanset om det er vand, havre eller kemikalier.

Tescom Trykregulatorer
Produktnyheder

TESCOM MULTI-PURPOSE TRYKREGULATORER

Vi tilbyder et bredt udvalg af Tescom trykregulatorer, der dækker alt fra laboratorieanalyser til industrielle gasinstallationer. Tescom er kendt for sin høje kvalitet, fleksibilitet og pålidelighed – uanset om du arbejder med brandfarlige gasser, kalibreringsudstyr eller trykpaneler.

Tilpassede tankdæksler listing
Produktnyheder

Kundetilpassede tankdæksler/mandehuller i rustfri og syrefast stål

Har I brug for et tankdæksel eller tanklåg, der opfylder specifikke krav? Så er I kommet til det rigtige sted. Hos OEM Automatic Klitsø samarbejder vi med den tyske producent Zimmerlin for at kunne tilbyde kundetilpassede tankdæksler og tanklåg i rustfrit og syrefast stål – velegnede til både indendørs og udendørs miljøer.

Zimmerlin er en erfaren og innovativ producent med høj teknisk ekspertise og stort fokus på kvalitet og kundeønsker. Uanset om I søger en standardløsning eller har behov for en specialdesignet konstruktion, er de – og vi – en pålidelig partner gennem hele processen.

Definox ID App
Produktnyheder

Optimér vedligeholdelsen af dine ventiler

Definox AR-app gør ventilvedligeholdelse enkel ved hjælp af QR-koder, der giver adgang til logbøger, dokumenter og videovejledninger. Planlæg vedligeholdelse, øg produktiviteten, forbedr sikkerheden og reducer fejl med en intuitiv løsning, der hjælper dig trin for trin.

Favoritter Artikler Tilslutning Pris
DN65
DN80
DN65, Tri-clamp
DN80, Tri-clamp

Udvalgt variant

Vælg en variant på listen

Teknisk rådgivning

Nicholas Haslund

Produktchef, Proces - Food & Pharma

Kundeservice
Har du har brug for hjælp? Kontakt os:
Har du brug for hjælp? Klik her!
Logo

COOKIE-INDSTILLINGER FOR OEMKLITSO.DK

Cookies hjælper os med at forbedre din oplevelse med os. Så for at kunne analysere trafikken, håndtere loginoplysninger, tilbyde dig personlige oplysninger og for at grundlæggende funktionalitet kan fungere på webssitet, skal vi bruge nogle cookies.

NØDVENDIGE COOKIES

Disse cookies er nødvendige for, at webstedet fungerer og kan ikke slås fra i vores systemer. De bruges normalt kun som reaktion på handlinger, du har foretaget i forbindelse med en serviceanmodning, f.eks. Når du angiver personlige præferencer, logger ind eller udfylder en formular.

ANALYSE OG MÅLING

Disse cookies giver os mulighed for at tælle antallet af besøg og trafikkilder, så vi kan måle og forbedre vores websteds ydeevne. De hjælper os med at vide, hvilke sider der er mere eller mindre populære, og hvordan besøgende navigerer rundt på webstedet. De oplysninger, som disse cookies indsamler, er aggregerede og derfor helt anonyme. Hvis du ikke tillader disse cookies, ved vi ikke, hvornår du har besøgt vores websted.

MARKEDSFØRING

Disse cookies kan tilføjes af vores partnere. De kan bruge dem til at oprette en profil af dig baseret på dine interesser for at vise dig mere relevante oplysninger. De gemmer ingen personlige oplysninger - kun oplysninger om din browser og enhed. Hvis du ikke accepterer disse cookies, får du en mere generel og mindre tilpasset brugeroplevelse.