HOKUYO

Serie UST - 2D Kompakt Laserscanner, til afstandsmåling

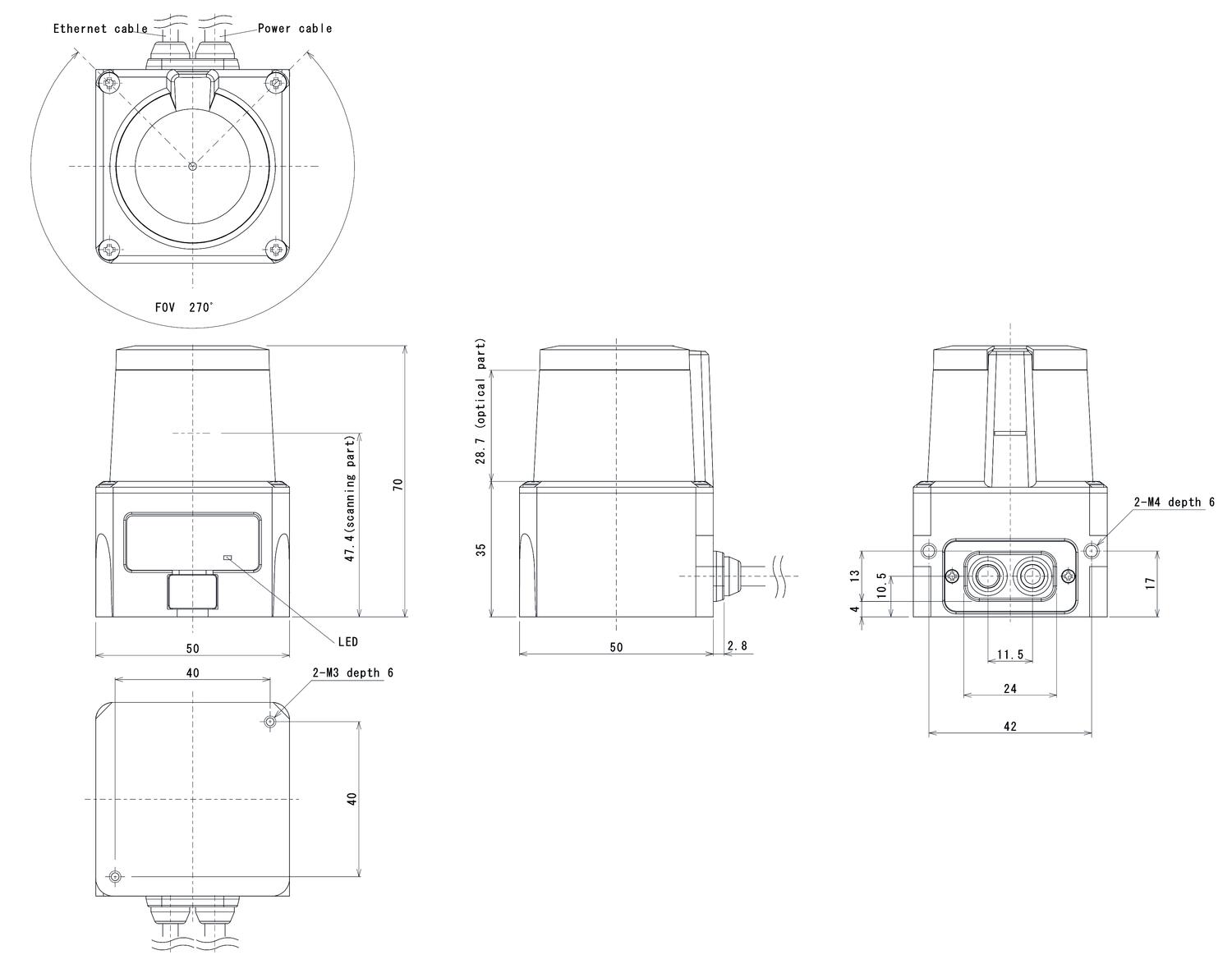
2D laserscanner til afstandsmåling

Hokoyo UST05LN er en lille, enkel og økonomisk laserscanner, der er designet til arealovervågning. Med sin kompakte byggeform åbner den op for nye anvendelsesmuligheder, lige fra Kollisionsafværgelse for førerløse trucks og maskiner til sil simple tælle opgaver, eller detektering af tilstedeværelse, overhøjde og udragende genstande.

UST er den perfekte sensor til krævende opgaver og den kan overvåge et område på op til 57,4m². Med de 3 digitale udgange, kan du overvåge 3 forskellige felter på samme tid, og via 5 digitale indgange kan der anvendes op til 31 feltsæt.
Alle felter programmeres let via det medfølgende software ”Area Designer” som efterfølgende kan overføres til scanneren via USB.

 

Kollisionsafværgelse for førerløse trucks og maskiner

Detektion af overhøjde, udragende genstande og højdedetektion

UST_application1.tif

UST_application2.tif

 

  • Måling af distance mellem sensor og omgivelser
  • Meget kompakt design og lav vægt
  • 3 uafhængige udgange
  • USB/RS422-grænseflade
  • 270° scanning, 5 meter

Udvalgt variant

Udvalgt variant

Specifikationer

Bredde 50 mm
Forsyningsspænding 12 V DC/24 V DC (10-30 V DC rippel: max 10 %)
Højde 70 mm
Indgang Indgang 1,2,3,4 og 5: Feltstyring, indgang 6: Synkronicering
IP-klasse IP65
Kommunikation USB/RS422 (kun model UST-05LA)
Længde 50 mm
Lystype Laser (905 nm) Laser class 1 (IEC60825-1:2007)
Materiale hus Aluminium, Polykarbonat
Mindst detekterbare objekt 130 mm
Nøjagtighed 60-5000 mm ±40 mm
Opløsning 0,5°
Reaktionstid 66 ms
Scanningsafstand max. 5 m
Scanningsafstand min. 0,06 m
Scanningsvinkel 270 °
Skanningshastighed 25 ms
Temperaturområde fra -10 °C
Temperaturområde til 50 °C
Udgang Output 1, 2 og 3: NPN/PNP, Output 4: alarm, Output 5: synkronisering
Vægt 0,13 kg

Produktbeskrivelse

Hokoyo UST05LN er en lille, enkel og økonomisk laserscanner, der er designet til arealovervågning. Med sin kompakte byggeform åbner den op for nye anvendelsesmuligheder, lige fra Kollisionsafværgelse for førerløse trucks og maskiner til sil simple tælle opgaver, eller detektering af tilstedeværelse, overhøjde og udragende genstande.

UST er den perfekte sensor til krævende opgaver og den kan overvåge et område på op til 57,4m². Med de 3 digitale udgange, kan du overvåge 3 forskellige felter på samme tid, og via 5 digitale indgange kan der anvendes op til 31 feltsæt.
Alle felter programmeres let via det medfølgende software ”Area Designer” som efterfølgende kan overføres til scanneren via USB.

 

Kollisionsafværgelse for førerløse trucks og maskiner

Detektion af overhøjde, udragende genstande og højdedetektion

UST_application1.tif

UST_application2.tif

 

Tilbehør

Relaterede produkter

Dis sensor istedet for kviksølvsafbrydere
Tips og guides

Derfor skal du skifte fra kviksølvsafbrydere til DIS-sensorer

I mange år har kviksølvsafbrydere været anvendt i industrien, særligt i lifte og andre tunge maskiner, på grund af deres pålidelighed og holdbarhed. Men med stigende fokus på miljø- og sundhedsrisici er det blevet afgørende at erstatte dem med sikrere alternativer som DIS-sensorer.

Senseca opkober to virksomheder_front
Produktnyheder

Senseca styrker sin position med strategiske opkøb

Senseca styrker sin position med opkøbet af Biral og Geonica, der bringer ekspertise inden for miljømåling og sensorteknologi. Dette strategiske skridt kombinerer avanceret teknologi og bæredygtige løsninger til Smart City-udvikling, vedvarende energi og præcisionsmålinger.

x guard maskinafskaermning
Produktnyheder

X‑Guard maskinafskærmning – fleksible og sikre hegnsystemer til industrien.

At beskytte både mennesker og maskiner er en selvfølge i et sikkert og effektivt produktionsmiljø. Med X‑Guard maskinafskærmning fra Axelent tilbyder vi hos OEM Automatic Klitsø et komplet, modulært og brugervenligt hegnsystem, der opfylder alle gældende krav til maskinsikkerhed og standarder. X‑Guard er udviklet med tre tydelige grundprincipper: fleksibilitet, enkel montering og høj sikkerhed. Resultatet er et smart og velafprøvet system, som i dag er et af markedets mest populære maskinafskærmninger til industrielle miljøer.

Liag ventil Listing
Produktnyheder

Hygiejniske ventiler fra LIAG – effektiv produktgenvinding og hygiejne i én løsning

I fødevare-, kosmetik- og farmaceutisk industri er der høje krav til hygiejne og effektivitet. Når du arbejder med viskose produkter, pastøse medier eller væsker med partikler, er det afgørende at have en ventil, der sikrer fuld passage, nem rengøring på stedet (CIP) og minimal vedligeholdelse.

Lær mere om fødevarer_Listing
Tips og guides

Fødevarer - Hygiejne & proceskontrol

Når det kommer til komponenter, der skal anvendes i fødevareproduktion, sætter vi kvalitet og sikkerhed i højsædet for at sikre, at de lever op til de højeste standarder og følger branchens regler. Ved valg af komponenter er materialevalg, korrekt godkendelse, kompatibilitet og pålidelighed helt afgørende faktorer i denne branche. Hver komponent skal vælges omhyggeligt og tilpasses for at imødekomme de strenge krav, der stilles.

Tips og guides

Lær mere om strømforsyninger

Vi tilbyder et komplet sortiment af strømforsyninger, redundante systemer, DC-UPS og en række specialtilpassede enheder til f.eks. eksplosionsfarlige miljøer (ATEX) eller NEC class 2-kredsløb fra vores producent PULS. Strømforsyninger til 110 V DC indspænding med strømkapacitet fra 0,6 A op til 20 A (24 V DC).

Favoritter Artikler Pris

Udvalgt variant

Vælg en variant på listen

Kundeservice
Har du har brug for hjælp? Kontakt os:
Har du brug for hjælp? Klik her!
Logo

COOKIE-INDSTILLINGER FOR OEMKLITSO.DK

Cookies hjælper os med at forbedre din oplevelse med os. Så for at kunne analysere trafikken, håndtere loginoplysninger, tilbyde dig personlige oplysninger og for at grundlæggende funktionalitet kan fungere på webssitet, skal vi bruge nogle cookies.

NØDVENDIGE COOKIES

Disse cookies er nødvendige for, at webstedet fungerer og kan ikke slås fra i vores systemer. De bruges normalt kun som reaktion på handlinger, du har foretaget i forbindelse med en serviceanmodning, f.eks. Når du angiver personlige præferencer, logger ind eller udfylder en formular.

ANALYSE OG MÅLING

Disse cookies giver os mulighed for at tælle antallet af besøg og trafikkilder, så vi kan måle og forbedre vores websteds ydeevne. De hjælper os med at vide, hvilke sider der er mere eller mindre populære, og hvordan besøgende navigerer rundt på webstedet. De oplysninger, som disse cookies indsamler, er aggregerede og derfor helt anonyme. Hvis du ikke tillader disse cookies, ved vi ikke, hvornår du har besøgt vores websted.

MARKEDSFØRING

Disse cookies kan tilføjes af vores partnere. De kan bruge dem til at oprette en profil af dig baseret på dine interesser for at vise dig mere relevante oplysninger. De gemmer ingen personlige oplysninger - kun oplysninger om din browser og enhed. Hvis du ikke accepterer disse cookies, får du en mere generel og mindre tilpasset brugeroplevelse.