DATASENSING

M8 standard tasteafstand

Induktiv sensor

Induktive sensorer anvendes til positionsindikation, impuls- eller bevægelsesdetektor til metalgenstande. Sensoren har ingen bevægelige dele og er derfor velegnet til applikationer med høj kontaktfrekvens. På grund af det kompakte og nemmonterede design af sensoren såvel som den kontaktfri funktion er sensoren normalt ikke udsat for mekanisk slitage.
  • 1,5 og 2 mm tasteafstand
  • LED-indikering
  • Kabel, eller M8-tilslutning
  • Kort hus

Udvalgt variant

Udvalgt variant

Specifikationer

12694_Output function NO
Elektrisk tilslutning Indstøbt kabel 2m
Forsyningsspænding 10-30 V DC
IP-klasse IP67
Kabellængde 2000 mm
LED-indikering Ja
Materiale hus Forniklet messing
Montering Indbygningsbar
Størrelse M8
Tasteafstand 1,5 mm
Temperaturområde fra -25 °C
Temperaturområde til 70 °C
Type sensor Induktiv
Udgang PNP
Udgangsstrøm max 0,2 A
Vægt 80 g

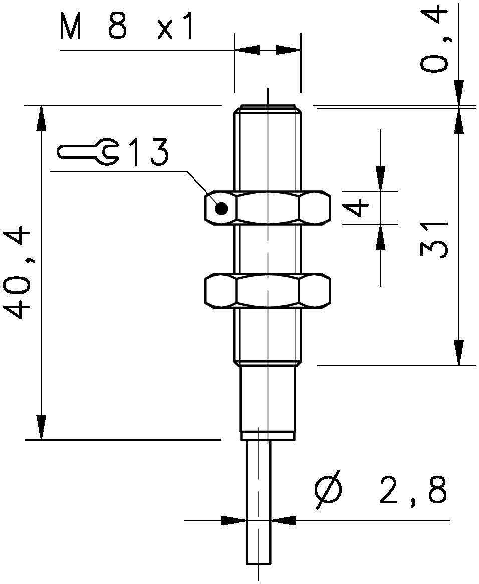
Mål & tilslutninger

Produktbeskrivelse

Induktive sensorer anvendes til positionsindikation, impuls- eller bevægelsesdetektor til metalgenstande. Sensoren har ingen bevægelige dele og er derfor velegnet til applikationer med høj kontaktfrekvens. På grund af det kompakte og nemmonterede design af sensoren såvel som den kontaktfri funktion er sensoren normalt ikke udsat for mekanisk slitage.

Tilbehør

Dis sensor istedet for kviksølvsafbrydere
Tips og guides

Derfor skal du skifte fra kviksølvsafbrydere til DIS-sensorer

I mange år har kviksølvsafbrydere været anvendt i industrien, særligt i lifte og andre tunge maskiner, på grund af deres pålidelighed og holdbarhed. Men med stigende fokus på miljø- og sundhedsrisici er det blevet afgørende at erstatte dem med sikrere alternativer som DIS-sensorer.

Senseca opkober to virksomheder_front
Produktnyheder

Senseca styrker sin position med strategiske opkøb

Senseca styrker sin position med opkøbet af Biral og Geonica, der bringer ekspertise inden for miljømåling og sensorteknologi. Dette strategiske skridt kombinerer avanceret teknologi og bæredygtige løsninger til Smart City-udvikling, vedvarende energi og præcisionsmålinger.

Vi er nu distributør
Virksomhedsnyt

GAC Governors America Corp

Pr. 15. Februar 2026 er OEM Automatic Klitsø A/S dansk distributør for GAC (Governors America Corp.).

Powerstart Listing
Virksomhedsnyt

Powerstart Limited

Pr. 15. Februar 2026 er OEM Automatic Klitsø A/S dansk distributør for Powerstart Limited.

Skueglas og belysning Listing
Tips og guides

Procesovervågning til lukkede og krævende miljøer

Hos os får du gennemprøvede løsninger til procesovervågning og visuel inspektion i lukkede beholdere og anlæg. Sortimentet omfatter skueglas og belysning fra FH Papenmeier, udviklet til brug i både standard- og krævende industrielle miljøer.

MS filtre
Produktnyheder

Driftssikker filtrering til fødevareprocesser

M&S’ vinkelfiltre og snavssamlere er udviklet til effektiv filtrering og opsamling af procesrester i fødevareindustrien, hvor driftssikkerhed, hygiejne og nem service er afgørende. Et vinkelfilter til fødevarer anvendes til pumpbare medier og beskytter kritiske komponenter som pumper, ventiler og varmevekslere mod slid, tilstopning og uplanlagte driftsstop.

Favoritter Artikler 12694_Output function Elektrisk tilslutning Kabellængde Montering Tasteafstand Vægt Pris
NO
Indstøbt kabel 2m
2000 mm
Indbygningsbar
1,5 mm
80 g
NO
3-polet kontakt M8 stik
Indbygningsbar
1,5 mm
35 g
NC
3-polet kontakt M8 stik
Indbygningsbar
1,5 mm
35 g
NC
Indstøbt kabel 2m
2000 mm
Indbygningsbar
1,5 mm
80 g
NO
Indstøbt kabel 2m
2000 mm
Ikke indbygningsbar
2 mm
80 g
NO
3-polet kontakt M8 stik
Ikke indbygningsbar
2 mm
35 g
NC
Indstøbt kabel 2m
2000 mm
Ikke indbygningsbar
2 mm
80 g
NC
3-polet kontakt M8 stik
Ikke indbygningsbar
2 mm
35 g

Udvalgt variant

Vælg en variant på listen

Teknisk rådgivning

Mathias Aarslev

Produktchef, El Automation

Kundeservice
Har du har brug for hjælp? Kontakt os:
Har du brug for hjælp? Klik her!
Logo

COOKIE-INDSTILLINGER FOR OEMKLITSO.DK

Cookies hjælper os med at forbedre din oplevelse med os. Så for at kunne analysere trafikken, håndtere loginoplysninger, tilbyde dig personlige oplysninger og for at grundlæggende funktionalitet kan fungere på webssitet, skal vi bruge nogle cookies.

NØDVENDIGE COOKIES

Disse cookies er nødvendige for, at webstedet fungerer og kan ikke slås fra i vores systemer. De bruges normalt kun som reaktion på handlinger, du har foretaget i forbindelse med en serviceanmodning, f.eks. Når du angiver personlige præferencer, logger ind eller udfylder en formular.

ANALYSE OG MÅLING

Disse cookies giver os mulighed for at tælle antallet af besøg og trafikkilder, så vi kan måle og forbedre vores websteds ydeevne. De hjælper os med at vide, hvilke sider der er mere eller mindre populære, og hvordan besøgende navigerer rundt på webstedet. De oplysninger, som disse cookies indsamler, er aggregerede og derfor helt anonyme. Hvis du ikke tillader disse cookies, ved vi ikke, hvornår du har besøgt vores websted.

MARKEDSFØRING

Disse cookies kan tilføjes af vores partnere. De kan bruge dem til at oprette en profil af dig baseret på dine interesser for at vise dig mere relevante oplysninger. De gemmer ingen personlige oplysninger - kun oplysninger om din browser og enhed. Hvis du ikke accepterer disse cookies, får du en mere generel og mindre tilpasset brugeroplevelse.