PULS

2 x 20A og 2 x 40A Redundansmodul

PULS Dimension Y

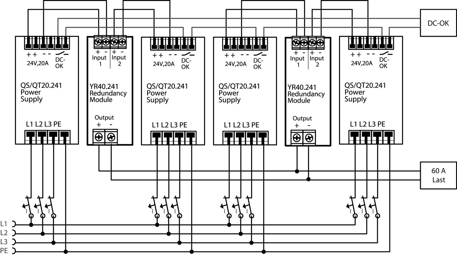
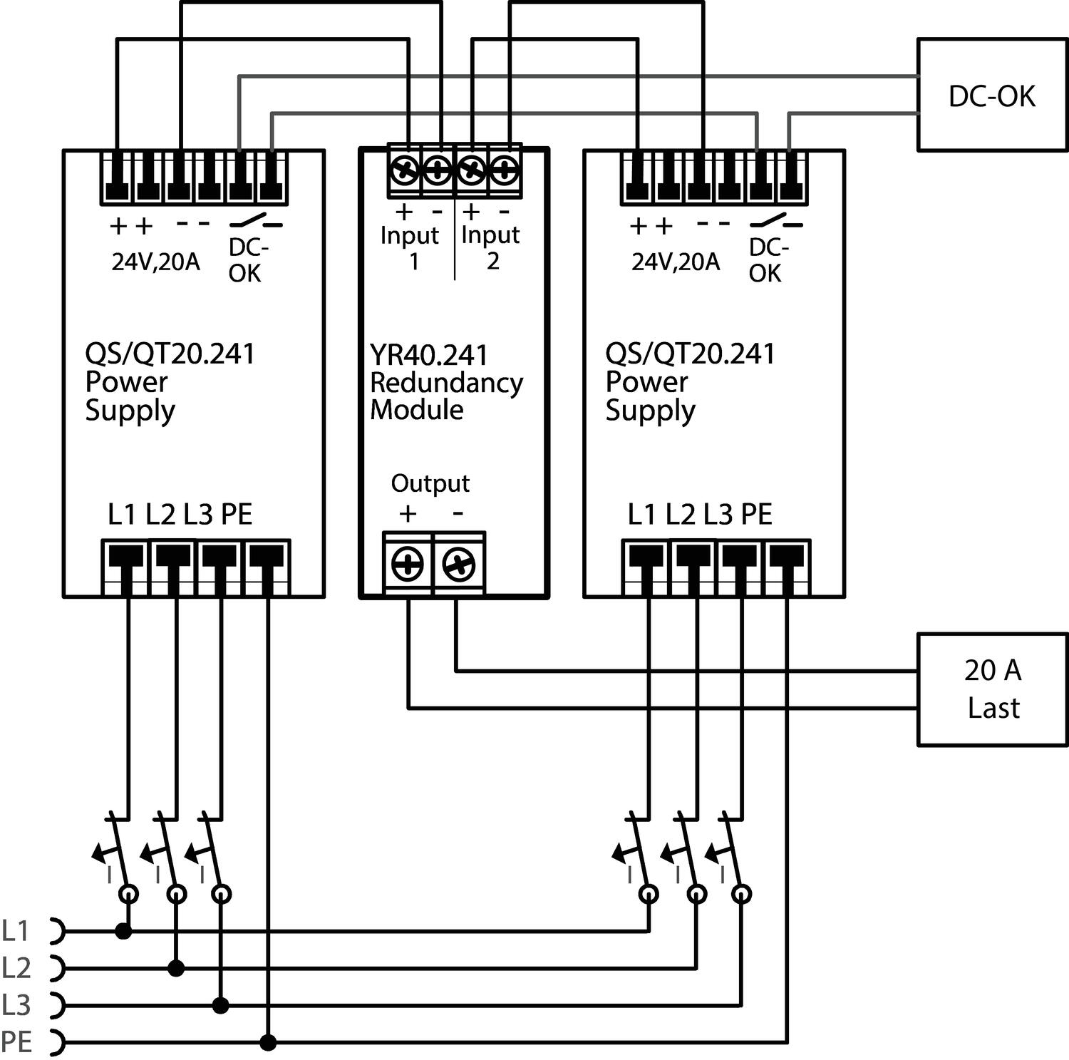
Redundansmodulerne har MOSFET-transistorer istedet for dioder, hvilket resulterer i lavere varmeafledning og spændingsfald. Takket være Mosfet-teknologien kan modulerne laves meget kompakte.

 

Redundansmodulerne har to separate indgange, som hver især kan indlæses med halv udgangsstrømmen instans. 40 A-modulet kan håndtere op til 20 A pr. Indgang.

 

Med redundansmodulerne fra Puls, får du et sikkert system mod interne strømforsyning fejl, som er særligt nyttigt i processer, hvor nedetid er dyrt.

 

Det overflødige modul kan også bruges i systemer, hvor du vil sikre driften af ​​følsomme belastninger. Indgang 1 er forbundet til hovedenheden, som normalt leverer belastninger direkte og fx. PLC via redundant moduludgang. Indgang 2 er forbundet med en mindre enhed, der kun er sluttet til den følsomme belastning via udgangen, i dette tilfælde PLC'en. Ved svigt af hovedenheden eller kortslutning på de belastninger, vil PLC leveret af mindre enhed og undgår forkert processavslut. Redundandmodulet er også velegnet, hvor du ønsker at adskille strømforsyninger fra lasterne for at undgå returspænding, for eksempel. fra motorer og batterier.

 

Godkendelser

Se downloadbare filer samt links nedenfor.

 

YR40.241

UL 508 Listed USA

UL 508 Listed Canada

UL 60950-1 USA

UL 60950-1 Canada

 

YR80.241

UL 508 Listed USA

UL 508 Listed Canada

UL 60950-1 USA

UL 60950-1 Canada

 

 

  • 36 mm og 46 mm bredde
  • MOSFET transistorer
  • EX / IEC Ex godkendt
  • EX / IEC Ex godkendt

Udvalgt variant

Udvalgt variant

Specifikationer

Indgangsdata

Indgangsspænding DC 12-28 V
Indgangsspænding DC min 8,4 V DC
Indgangsspænding DC max 36,4 V DC
Input current per channel max 20 A
Input current at continuous overload or short circuit max 2x32,5 A

Udgangsdata

Udgangsspænding DC 24 V DC
Udgangsstrøm 40 A
Udgangsstrøm max 65 A

Virkningsgrad/Levetid/MTBF

Levetid 246000 h @ 2x 20 A, 24 V DC, 40 °C
MTBF (IEC 61709) 2706000 h @ 2x 20 A, 24 V DC, 40 °C

Mål

Bredde 36 mm
Højde 124 mm

*Invisible Heading*

Dybde 127 mm
Vægt 0,34 kg

Øvrigt

Godkendelser ABS, ATEX, CB, CE, CSA, CSA US, GL, IECEx, UL
IP-klasse IP20
Materiale kapsling Aluminium
Serie Dimension Y
Spændingsfald over halvlederen 140 mV
Temperaturområde uden reduktion fra -40 °C
Temperaturområde uden reduktion til 70 °C
Type strømforsyning Redundansmoduler

Produktbeskrivelse

Redundansmodulerne har MOSFET-transistorer istedet for dioder, hvilket resulterer i lavere varmeafledning og spændingsfald. Takket være Mosfet-teknologien kan modulerne laves meget kompakte.

 

Redundansmodulerne har to separate indgange, som hver især kan indlæses med halv udgangsstrømmen instans. 40 A-modulet kan håndtere op til 20 A pr. Indgang.

 

Med redundansmodulerne fra Puls, får du et sikkert system mod interne strømforsyning fejl, som er særligt nyttigt i processer, hvor nedetid er dyrt.

 

Det overflødige modul kan også bruges i systemer, hvor du vil sikre driften af ​​følsomme belastninger. Indgang 1 er forbundet til hovedenheden, som normalt leverer belastninger direkte og fx. PLC via redundant moduludgang. Indgang 2 er forbundet med en mindre enhed, der kun er sluttet til den følsomme belastning via udgangen, i dette tilfælde PLC'en. Ved svigt af hovedenheden eller kortslutning på de belastninger, vil PLC leveret af mindre enhed og undgår forkert processavslut. Redundandmodulet er også velegnet, hvor du ønsker at adskille strømforsyninger fra lasterne for at undgå returspænding, for eksempel. fra motorer og batterier.

 

Godkendelser

Se downloadbare filer samt links nedenfor.

 

YR40.241

UL 508 Listed USA

UL 508 Listed Canada

UL 60950-1 USA

UL 60950-1 Canada

 

YR80.241

UL 508 Listed USA

UL 508 Listed Canada

UL 60950-1 USA

UL 60950-1 Canada

 

 

Tilbehør

Relaterede produkter

Tips og guides

Lær mere om strømforsyninger

Vi tilbyder et komplet sortiment af strømforsyninger, redundante systemer, DC-UPS og en række specialtilpassede enheder til f.eks. eksplosionsfarlige miljøer (ATEX) eller NEC class 2-kredsløb fra vores producent PULS. Strømforsyninger til 110 V DC indspænding med strømkapacitet fra 0,6 A op til 20 A (24 V DC).

Kabelgennemføring
Produktnyheder

ORGANISÉR DINE KABLER MED VORES KABELGENNEMFØRINGSSYSTEM FRA CONTA-CLIP 

Lær mere om, hvordan innovative kabelgennemføringssystemer kan imødekomme nutidens industrielle udfordringer ved at spare tid, forenkle installationen og tilbyde enestående fleksibilitet. Følg med, når vi dykker ned i, hvordan vores kabelgennemføringssystemer fra Conta-Clip påvirker industrielle installationer

Auer Smart Signal_Portraet
Produktnyheder

Næste niveau af industriel varsling

En ny produktserie fra Auer Signal lanceres i løbet af 2025, og de første modeller er nu klar til markedet. Serien er kendetegnet ved høj ydeevne, fleksibilitet og smarte funktioner – alt samlet i et moderne og robust design.

x guard maskinafskaermning
Produktnyheder

X‑Guard maskinafskærmning – fleksible og sikre hegnsystemer til industrien.

At beskytte både mennesker og maskiner er en selvfølge i et sikkert og effektivt produktionsmiljø. Med X‑Guard maskinafskærmning fra Axelent tilbyder vi hos OEM Automatic Klitsø et komplet, modulært og brugervenligt hegnsystem, der opfylder alle gældende krav til maskinsikkerhed og standarder. X‑Guard er udviklet med tre tydelige grundprincipper: fleksibilitet, enkel montering og høj sikkerhed. Resultatet er et smart og velafprøvet system, som i dag er et af markedets mest populære maskinafskærmninger til industrielle miljøer.

Liag ventil Listing
Produktnyheder

Hygiejniske ventiler fra LIAG – effektiv produktgenvinding og hygiejne i én løsning

I fødevare-, kosmetik- og farmaceutisk industri er der høje krav til hygiejne og effektivitet. Når du arbejder med viskose produkter, pastøse medier eller væsker med partikler, er det afgørende at have en ventil, der sikrer fuld passage, nem rengøring på stedet (CIP) og minimal vedligeholdelse.

Lær mere om fødevarer_Listing
Tips og guides

Fødevarer - Hygiejne & proceskontrol

Når det kommer til komponenter, der skal anvendes i fødevareproduktion, sætter vi kvalitet og sikkerhed i højsædet for at sikre, at de lever op til de højeste standarder og følger branchens regler. Ved valg af komponenter er materialevalg, korrekt godkendelse, kompatibilitet og pålidelighed helt afgørende faktorer i denne branche. Hver komponent skal vælges omhyggeligt og tilpasses for at imødekomme de strenge krav, der stilles.

Favoritter Artikler Input current per channel max Input current at continuous overload or short circuit max Udgangsstrøm Udgangsstrøm max Levetid MTBF (IEC 61709) Bredde Vægt Spændingsfald over halvlederen Pris
20 A
2x32,5 A
40 A
65 A
246000 h @ 2x 20 A, 24 V DC, 40 °C
2706000 h @ 2x 20 A, 24 V DC, 40 °C
36 mm
0,34 kg
140 mV
20 A
2x32,5 A
40 A
65 A
255000 h @ 2x 20 A, 24 V DC, 40 °C
4533000 h @ 2x 20 A, 24 V DC, 40 °C
36 mm
0,28 kg
140 mV
40 A
2x65 A
80 A
130 A
143000 h @ 2x 40 A, 24 V DC, 40 °C
2088000 h @ 2x 40 A, 24 V DC, 40 °C
46 mm
0,44 kg
95 mV
40 A
2x65 A
80 A
130 A
85000 h @ 2x 40 A, 24 V DC, 40 °C
2482000 h @ 2x 40 A, 24 V DC, 40 °C
46 mm
0,37 kg
145 mV

Udvalgt variant

Vælg en variant på listen

Teknisk rådgivning

Mathias Aarslev

Produktchef, El Automation

Kundeservice
Har du har brug for hjælp? Kontakt os:
Har du brug for hjælp? Klik her!
Logo

COOKIE-INDSTILLINGER FOR OEMKLITSO.DK

Cookies hjælper os med at forbedre din oplevelse med os. Så for at kunne analysere trafikken, håndtere loginoplysninger, tilbyde dig personlige oplysninger og for at grundlæggende funktionalitet kan fungere på webssitet, skal vi bruge nogle cookies.

NØDVENDIGE COOKIES

Disse cookies er nødvendige for, at webstedet fungerer og kan ikke slås fra i vores systemer. De bruges normalt kun som reaktion på handlinger, du har foretaget i forbindelse med en serviceanmodning, f.eks. Når du angiver personlige præferencer, logger ind eller udfylder en formular.

ANALYSE OG MÅLING

Disse cookies giver os mulighed for at tælle antallet af besøg og trafikkilder, så vi kan måle og forbedre vores websteds ydeevne. De hjælper os med at vide, hvilke sider der er mere eller mindre populære, og hvordan besøgende navigerer rundt på webstedet. De oplysninger, som disse cookies indsamler, er aggregerede og derfor helt anonyme. Hvis du ikke tillader disse cookies, ved vi ikke, hvornår du har besøgt vores websted.

MARKEDSFØRING

Disse cookies kan tilføjes af vores partnere. De kan bruge dem til at oprette en profil af dig baseret på dine interesser for at vise dig mere relevante oplysninger. De gemmer ingen personlige oplysninger - kun oplysninger om din browser og enhed. Hvis du ikke accepterer disse cookies, får du en mere generel og mindre tilpasset brugeroplevelse.