TRAFAG

Industritermostat med fjernføler

Model I / IS / IS_R

Trafag termostaterne model I / IS / IS_R bruges i industrielle applikationer. En væske er indkapslet i sensoren, væsken udvider sig i takt med, at temperaturen stiger, og dette fremkalder bevægelse i et bælgsystem. Når temperaturen er steget til kontaktpunktets værdi, bliver microswitchen aktiveret via en højpræcis mekanisme. Kontakten åbner eller lukker et signal-loop, og har ikke brug for strømforsyning. Termostater fra Trafag er vedligeholdelsesfri og kan køre nonstop i flere årtier uden at præcisionen forringes. På standardprodukter indstilles kontaktpunktet af kunden, udvendig indstilling på model I med drejeknap og indvendig indstilling på model IS. På forespørgsel kan termostaten leveres med forudindstillet kontaktpunkt efter kundeønske, evt. komplet med plombering og kalibreringscertifikat.
IS_R fungerer som en temperaturbegrænser med manuel reset-knap.

 

Optioner:

• Ekstra beskyttelse af kapillarrør (stål eller PVC)
• Længde af kapillarrør op til 5 meter (standard er 2 meter)
• Temperaturbegrænser kalibreret for faldende temperatur
• Signallampe
• Speciel jernbaneversion UIC 616

  • Med udvendig (I) eller indvendig (IS) justering af kontaktpunkt
  • Evt. med manuel reset IS_R
  • Måleområder -30...+40 til +70...+350° C

Udvalgt variant

Udvalgt variant

Specifikationer

Chok, mekanisk 50 g / 11 ms
Driftstemperatur -30...50°C
Elektrisk tilslutning Skrueterminaler
Gentagelsesnøjagtighed, sensor ±0,5% FS typ.
Hysterese 0,7...10°C (justérbar)
Indstillingsområde 0...35°C
IP-klasse IP65
Justering Udvendig
Kontakt Skiftekontakt
Kontaktpunkt Temperaturkompenseret skiftekontakt af bimetal
Levetid for microswitch 20 mio. cykler
Luftfugtighed max 95 % Rh
Materiale hus Aluminium
Materiale, sensor Kobber
Medietemperatur til 60 °C
Montering Alle retninger
Skalanøjagtighed ±2% FS typ.
Temperaturområde lager fra -30 °C
Temperaturområde lager til 50 °C
Vægt 950 g
Vibration, resonans ±1,6 mm (5...25Hz), 4 g (25...100Hz)

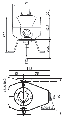
Mål & tilslutninger

Tekniske illustrationer

Produktbeskrivelse

Trafag termostaterne model I / IS / IS_R bruges i industrielle applikationer. En væske er indkapslet i sensoren, væsken udvider sig i takt med, at temperaturen stiger, og dette fremkalder bevægelse i et bælgsystem. Når temperaturen er steget til kontaktpunktets værdi, bliver microswitchen aktiveret via en højpræcis mekanisme. Kontakten åbner eller lukker et signal-loop, og har ikke brug for strømforsyning. Termostater fra Trafag er vedligeholdelsesfri og kan køre nonstop i flere årtier uden at præcisionen forringes. På standardprodukter indstilles kontaktpunktet af kunden, udvendig indstilling på model I med drejeknap og indvendig indstilling på model IS. På forespørgsel kan termostaten leveres med forudindstillet kontaktpunkt efter kundeønske, evt. komplet med plombering og kalibreringscertifikat.
IS_R fungerer som en temperaturbegrænser med manuel reset-knap.

 

Optioner:

• Ekstra beskyttelse af kapillarrør (stål eller PVC)
• Længde af kapillarrør op til 5 meter (standard er 2 meter)
• Temperaturbegrænser kalibreret for faldende temperatur
• Signallampe
• Speciel jernbaneversion UIC 616

Tilbehør

Tips og guides

Lær mere om strømforsyninger

Vi tilbyder et komplet sortiment af strømforsyninger, redundante systemer, DC-UPS og en række specialtilpassede enheder til f.eks. eksplosionsfarlige miljøer (ATEX) eller NEC class 2-kredsløb fra vores producent PULS. Strømforsyninger til 110 V DC indspænding med strømkapacitet fra 0,6 A op til 20 A (24 V DC).

Smart-Line af Zimmerlin
Produktnyheder

Tankdæksler på rekordtid med Smart-Line

Nu kan du få præfabrikerede og konfigurerbare trykdæksler leveret på kun 2 uger – en hurtig og fleksibel løsning, der sparer dig både tid og besvær.

XV Ventiltermial
Produktnyheder

Modulær ventilterminal fra Aventics – XV-serien

Aventics XV-serie fra Emerson muliggør øget fleksibilitet og effektivitet i produktionssystemer. Den moderne ventilteknologi i denne serie forbedrer udnyttelsen af trykluft og optimerer ydeevnen i pneumatiske systemer. Med sit kompakte design sparer XV-serien plads i styreskabet, samtidig med at ventilerne har lang levetid og kræver minimal vedligeholdelse. Dette giver øget oppetid og gør serien til et fremragende valg for nutidens krævende produktionsmiljøer.

Omkostningseffektiv niveaumåling
Produktnyheder

Omkostningseffektiv og pålidelig niveaumåling med Rosemount 1208 niveau- og flowradar

Efterhånden som kravene til pålidelig niveau- og flowmåling stiger, bliver behovet for smartere og mere robust teknologi stadig vigtigere. Med Rosemount 1208 niveau- og flowradar præsenterer vi hos OEM Automatic en ny, berøringsfri niveauradar, der kombinerer høj præcision med nem installation – uanset om det er vand, havre eller kemikalier.

Tescom Trykregulatorer
Produktnyheder

TESCOM MULTI-PURPOSE TRYKREGULATORER

Vi tilbyder et bredt udvalg af Tescom trykregulatorer, der dækker alt fra laboratorieanalyser til industrielle gasinstallationer. Tescom er kendt for sin høje kvalitet, fleksibilitet og pålidelighed – uanset om du arbejder med brandfarlige gasser, kalibreringsudstyr eller trykpaneler.

Accredia logo
Produktnyheder

Senseca Italy Calibration Center opdaterer akkrediteringsnummer og logo

Fra og med 2025 har ACCREDIA introduceret et nyt logo og ændret logikken for tildeling af akkrediteringsnumre til kalibreringslaboratorier. Som følge heraf er Sensecas akkrediteringsnummer nu 00171, hvilket erstatter det tidligere LAT 124.

Senseca har fuldført denne opdatering inden den officielle deadline den 30. september 2025, og vi er glade for at kunne informere om, at alle nødvendige tilpasninger er implementeret.

Favoritter Artikler Driftstemperatur Hysterese Indstillingsområde Justering Materiale, sensor Medietemperatur til Operation Temperaturområde lager til Pris
-30...50°C
0,7...10°C (justérbar)
0...35°C
Udvendig
Kobber
60 °C
50 °C
-30...70°C
2...12°C (justérbar)
5...95°C
Udvendig
Kobber
105 °C
85 °C
-30...70°C
2,5...16°C (justérbar)
20...150°C
Udvendig
Kobber
165 °C
85 °C
-30...70°C
3...32°C (justérbar)
20...230°C
Udvendig
Rustfrit stål 316L
250 °C
85 °C
-10...70°C
4...40°C (justérbar)
70...350°C
Udvendig
Rustfrit stål 316L
380 °C
85 °C
-30...50°C
0,7...10°C (justérbar)
0...35°C
Indvendig
Kobber
60 °C
50 °C
-30...70°C
2...12°C (justérbar)
5...95°C
Indvendig
Kobber
105 °C
85 °C
-30...70°C
2,5...16°C (justérbar)
20...150°C
Indvendig
Kobber
165 °C
85 °C
-30...70°C
3...32°C (justérbar)
20...230°C
Indvendig
Rustfrit stål 316L
250 °C
85 °C
-10...70°C
4...40°C (justérbar)
70...350°C
Indvendig
Rustfrit stål 316L
380 °C
85 °C
-30...70°C
6°C
5...95°C
Indvendig
Kobber
105 °C
Manuel reset-knap
85 °C
-30...70°C
7,5°C
20...150°C
Indvendig
Kobber
165 °C
Manuel reset-knap
85 °C
-30...70°C
9°C
20...230°C
Indvendig
Rustfrit stål 316L
250 °C
Manuel reset-knap
85 °C
-10...70°C
12°C
70...350°C
Indvendig
Rustfrit stål 316L
380 °C
Manuel reset-knap
85 °C

Udvalgt variant

Vælg en variant på listen

Kundeservice
Har du har brug for hjælp? Kontakt os:
Har du brug for hjælp? Klik her!
Logo

COOKIE-INDSTILLINGER FOR OEMKLITSO.DK

Cookies hjælper os med at forbedre din oplevelse med os. Så for at kunne analysere trafikken, håndtere loginoplysninger, tilbyde dig personlige oplysninger og for at grundlæggende funktionalitet kan fungere på webssitet, skal vi bruge nogle cookies.

NØDVENDIGE COOKIES

Disse cookies er nødvendige for, at webstedet fungerer og kan ikke slås fra i vores systemer. De bruges normalt kun som reaktion på handlinger, du har foretaget i forbindelse med en serviceanmodning, f.eks. Når du angiver personlige præferencer, logger ind eller udfylder en formular.

ANALYSE OG MÅLING

Disse cookies giver os mulighed for at tælle antallet af besøg og trafikkilder, så vi kan måle og forbedre vores websteds ydeevne. De hjælper os med at vide, hvilke sider der er mere eller mindre populære, og hvordan besøgende navigerer rundt på webstedet. De oplysninger, som disse cookies indsamler, er aggregerede og derfor helt anonyme. Hvis du ikke tillader disse cookies, ved vi ikke, hvornår du har besøgt vores websted.

MARKEDSFØRING

Disse cookies kan tilføjes af vores partnere. De kan bruge dem til at oprette en profil af dig baseret på dine interesser for at vise dig mere relevante oplysninger. De gemmer ingen personlige oplysninger - kun oplysninger om din browser og enhed. Hvis du ikke accepterer disse cookies, får du en mere generel og mindre tilpasset brugeroplevelse.