ASCO

Motoriseret slangeklemmeventil, 2/2-vejs

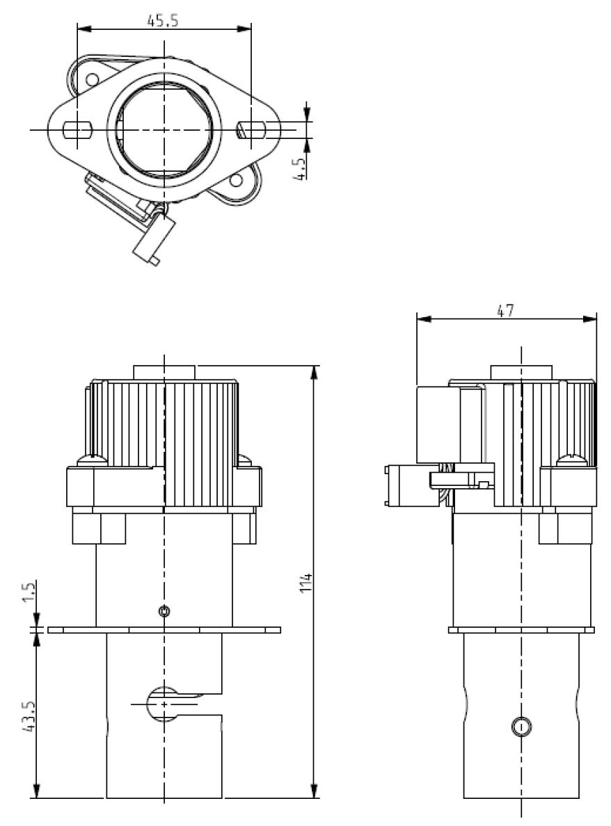
Serie S170/S370

Hvor almindelige slangeklemmeventiler må give op træder den motoriserede udgave til. Den klemmer hårdere og som man kan endda dosere meget præcist gennem slangen.

Sirais slangeklemmeventiler i 2- og 3-vejs versioner er udrustet med en stepmotor i kombination med et styrekort. Denne løsning bidrager til at begrænse strømforbruget og samtidig opnås en høj klemkraft 8 kg (80N), som gør det muligt at klemme på slanger med hårdhed op til 90 Shore A. Til ventilerne kan der anvendes slanger med en yderdiameter på op til Ø9,5mm og den har en åbne-/lukkehastighed på 3,33 mm/s.
Ventilen fås i følgende konfigurationer:

  • Uden motorstyring
  • On/off funktion - Bistabil styring
  • Analog indgang - Proportionalfunktion med styre signal 0-5V eller 4-20mA
  • Potentiometer - Proportionalfunktion med styresignal 1-10 kΩ

Slangeklemmeventiler er ideelle hvis mediet ikke må komme i kontakt med ventilkroppen. Dermed er de særdeles velegnede indenfor analyse/medicin og levnedsmiddelapplikationer og kan med fordel også bruges i alle former for fylde- og aftappeapplikationer.
Proportionalfunktionen tilføjer muligheden for at dosere i meget nøjagtige mængder. I det hele taget giver step-motoren sammen med motorstyringen mulighed for at indstille ventilen lige som man vil have den. Forskellige lysdioder på styrekortet sørger desuden for den ønskede visuelle feedback.

  • Kan klemme slanger på op til 90 shore A i hårdhed
  • Mulighed for slanger op til Ø9.5mm
  • Styres af en elektrisk step-motor
  • On/off - eller proportional funktion
  • Mulighed for nøjagtig dosering.

Udvalgt variant

Udvalgt variant

Specifikationer

Effekt 9 W
Elektrisk tilslutning Molex pitch 2,54 mm, 4 pins
Forsyningsspænding DC max 24 V DC
Forsyningsspænding DC min 12 V DC
Funktion 1 2/2
Funktion 2 Normalt åben
IP-klasse IP40
Materiale indvendige dele Messing, Rustfrit stål
Materiale klemmemekanisme POM
Materiale motorkappe Polyamid
Materiale printpladedæksel Polyamid
Materiale ventilhus Anodiseret aluminium
Omgivelsestemperatur fra -10 °C
Slangediameter udv. 9,5 mm
Type ventil Slangeklemmeventil
Vægt 0,22 kg

Produktbeskrivelse

Hvor almindelige slangeklemmeventiler må give op træder den motoriserede udgave til. Den klemmer hårdere og som man kan endda dosere meget præcist gennem slangen.

Sirais slangeklemmeventiler i 2- og 3-vejs versioner er udrustet med en stepmotor i kombination med et styrekort. Denne løsning bidrager til at begrænse strømforbruget og samtidig opnås en høj klemkraft 8 kg (80N), som gør det muligt at klemme på slanger med hårdhed op til 90 Shore A. Til ventilerne kan der anvendes slanger med en yderdiameter på op til Ø9,5mm og den har en åbne-/lukkehastighed på 3,33 mm/s.
Ventilen fås i følgende konfigurationer:

  • Uden motorstyring
  • On/off funktion - Bistabil styring
  • Analog indgang - Proportionalfunktion med styre signal 0-5V eller 4-20mA
  • Potentiometer - Proportionalfunktion med styresignal 1-10 kΩ

Slangeklemmeventiler er ideelle hvis mediet ikke må komme i kontakt med ventilkroppen. Dermed er de særdeles velegnede indenfor analyse/medicin og levnedsmiddelapplikationer og kan med fordel også bruges i alle former for fylde- og aftappeapplikationer.
Proportionalfunktionen tilføjer muligheden for at dosere i meget nøjagtige mængder. I det hele taget giver step-motoren sammen med motorstyringen mulighed for at indstille ventilen lige som man vil have den. Forskellige lysdioder på styrekortet sørger desuden for den ønskede visuelle feedback.

Tilbehør

Relaterede produkter

Tips og guides

Lær mere om strømforsyninger

Vi tilbyder et komplet sortiment af strømforsyninger, redundante systemer, DC-UPS og en række specialtilpassede enheder til f.eks. eksplosionsfarlige miljøer (ATEX) eller NEC class 2-kredsløb fra vores producent PULS. Strømforsyninger til 110 V DC indspænding med strømkapacitet fra 0,6 A op til 20 A (24 V DC).

Smart-Line af Zimmerlin
Produktnyheder

Tankdæksler på rekordtid med Smart-Line

Nu kan du få præfabrikerede og konfigurerbare trykdæksler leveret på kun 2 uger – en hurtig og fleksibel løsning, der sparer dig både tid og besvær.

XV Ventiltermial
Produktnyheder

Modulær ventilterminal fra Aventics – XV-serien

Aventics XV-serie fra Emerson muliggør øget fleksibilitet og effektivitet i produktionssystemer. Den moderne ventilteknologi i denne serie forbedrer udnyttelsen af trykluft og optimerer ydeevnen i pneumatiske systemer. Med sit kompakte design sparer XV-serien plads i styreskabet, samtidig med at ventilerne har lang levetid og kræver minimal vedligeholdelse. Dette giver øget oppetid og gør serien til et fremragende valg for nutidens krævende produktionsmiljøer.

Omkostningseffektiv niveaumåling
Produktnyheder

Omkostningseffektiv og pålidelig niveaumåling med Rosemount 1208 niveau- og flowradar

Efterhånden som kravene til pålidelig niveau- og flowmåling stiger, bliver behovet for smartere og mere robust teknologi stadig vigtigere. Med Rosemount 1208 niveau- og flowradar præsenterer vi hos OEM Automatic en ny, berøringsfri niveauradar, der kombinerer høj præcision med nem installation – uanset om det er vand, havre eller kemikalier.

Tescom Trykregulatorer
Produktnyheder

TESCOM MULTI-PURPOSE TRYKREGULATORER

Vi tilbyder et bredt udvalg af Tescom trykregulatorer, der dækker alt fra laboratorieanalyser til industrielle gasinstallationer. Tescom er kendt for sin høje kvalitet, fleksibilitet og pålidelighed – uanset om du arbejder med brandfarlige gasser, kalibreringsudstyr eller trykpaneler.

Accredia logo
Produktnyheder

Senseca Italy Calibration Center opdaterer akkrediteringsnummer og logo

Fra og med 2025 har ACCREDIA introduceret et nyt logo og ændret logikken for tildeling af akkrediteringsnumre til kalibreringslaboratorier. Som følge heraf er Sensecas akkrediteringsnummer nu 00171, hvilket erstatter det tidligere LAT 124.

Senseca har fuldført denne opdatering inden den officielle deadline den 30. september 2025, og vi er glade for at kunne informere om, at alle nødvendige tilpasninger er implementeret.

Favoritter Artikler Elektrisk tilslutning Funktion 1 Funktion 2 Gennemløb Type ventil Vægt Pris
Molex pitch 2,54 mm, 4 pins
2/2
Normalt åben
Slangeklemmeventil
0,22 kg
Molex pitch 2,54 mm, 6 & 2 pins
2/2
NO/NC
6,4 mm
Slangeklemmeventil
0,25 kg
Molex pitch 2,54 mm, 6 & 2 pins
2/2
Dobbeltvirkende
6,4 mm
Slangeklemmeventil
0,25 kg
Molex pitch 2,54 mm, 6 & 2 pins
2/2
Analog indgang 4-20 mA
6,4 mm
0,25 kg
Molex pitch 2,54 mm, 6 & 2 pins
2/2
Potentiometer 1-10 ?k
6,4 mm
Slangeklemmeventil
0,25 kg
Molex pitch 2,54 mm, 4 pins
3/2
Normalt åben
Slangeklemmeventil
0,22 kg
Molex pitch 2,54 mm, 6 & 2 pins
3/2
NO/NC
6,4 mm
Slangeklemmeventil
0,25 kg

Udvalgt variant

Vælg en variant på listen

Teknisk rådgivning

Henrik Philipsen

Kundeservice
Har du har brug for hjælp? Kontakt os:
Har du brug for hjælp? Klik her!
Logo

COOKIE-INDSTILLINGER FOR OEMKLITSO.DK

Cookies hjælper os med at forbedre din oplevelse med os. Så for at kunne analysere trafikken, håndtere loginoplysninger, tilbyde dig personlige oplysninger og for at grundlæggende funktionalitet kan fungere på webssitet, skal vi bruge nogle cookies.

NØDVENDIGE COOKIES

Disse cookies er nødvendige for, at webstedet fungerer og kan ikke slås fra i vores systemer. De bruges normalt kun som reaktion på handlinger, du har foretaget i forbindelse med en serviceanmodning, f.eks. Når du angiver personlige præferencer, logger ind eller udfylder en formular.

ANALYSE OG MÅLING

Disse cookies giver os mulighed for at tælle antallet af besøg og trafikkilder, så vi kan måle og forbedre vores websteds ydeevne. De hjælper os med at vide, hvilke sider der er mere eller mindre populære, og hvordan besøgende navigerer rundt på webstedet. De oplysninger, som disse cookies indsamler, er aggregerede og derfor helt anonyme. Hvis du ikke tillader disse cookies, ved vi ikke, hvornår du har besøgt vores websted.

MARKEDSFØRING

Disse cookies kan tilføjes af vores partnere. De kan bruge dem til at oprette en profil af dig baseret på dine interesser for at vise dig mere relevante oplysninger. De gemmer ingen personlige oplysninger - kun oplysninger om din browser og enhed. Hvis du ikke accepterer disse cookies, får du en mere generel og mindre tilpasset brugeroplevelse.