AVENTICS

Sikkerhedsventil, 1000 l/min

Serie SV01

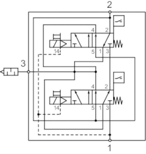
AVENTICS-serierne SV01/03/05 består af redundante 3/2 eller 5/2 dobbeltventiler til ekstern overvågning af maskiner med pneumatiske styringer. Sikkerhedsventilerne er designet til at imødekomme behov og krav til sikker lufttilførsel, afblæsning (3/2 ventiler) og sikker cylinderretur (5/2 ventiler) i henhold til kravene i ISO 13849-1-2 til sikkerhedsfunktioner. Med serie SV03-AS2 kan der opnås kategori 4-relevant kontrol og samtidig det højeste performance level ”e” (PL. e) i overensstemmelse med ISO 13849-1.

3/2 dobbeltventilerne aktiverer kun trykluftforsyningen når alle forhold for en sikker systemopstart  er opfyldte, hvilket forhindrer ulykker. I tilfælde af en maskinfejl eller en nødsituation udtømmer ventilen betjeningslinjerne, hvilket sikrer en de-energized tilstand.

 

  • Sikker tryksætning og afluftning
  • Tilslutning G1/8 eller NPT 1/8
  • ISO 13849-1, Kategori 4, PL. e
  • 3/2 eller 5/2 ventil
  • B10-værdi: 10 mio.

Udvalgt variant

Udvalgt variant

Specifikationer

Tekniske data

Flow-kapacitet 1000 l/min
Tilslutning luft 1/8 BSP
Godkendelser ISO 13849-1
Arbejdstryk min 3 bar
Max arbejdstryk 10 bar
Responstid ind 40 ms
Responstid ud 20 ms
Spænding DC 24 V
Vægt 1,3 kg

Tekniske illustrationer

Produktbeskrivelse

AVENTICS-serierne SV01/03/05 består af redundante 3/2 eller 5/2 dobbeltventiler til ekstern overvågning af maskiner med pneumatiske styringer. Sikkerhedsventilerne er designet til at imødekomme behov og krav til sikker lufttilførsel, afblæsning (3/2 ventiler) og sikker cylinderretur (5/2 ventiler) i henhold til kravene i ISO 13849-1-2 til sikkerhedsfunktioner. Med serie SV03-AS2 kan der opnås kategori 4-relevant kontrol og samtidig det højeste performance level ”e” (PL. e) i overensstemmelse med ISO 13849-1.

3/2 dobbeltventilerne aktiverer kun trykluftforsyningen når alle forhold for en sikker systemopstart  er opfyldte, hvilket forhindrer ulykker. I tilfælde af en maskinfejl eller en nødsituation udtømmer ventilen betjeningslinjerne, hvilket sikrer en de-energized tilstand.

 

Tilbehør

XV Ventiltermial
Produktnyheder

Modulær ventilterminal fra Aventics – XV-serien

Aventics XV-serie fra Emerson muliggør øget fleksibilitet og effektivitet i produktionssystemer. Den moderne ventilteknologi i denne serie forbedrer udnyttelsen af trykluft og optimerer ydeevnen i pneumatiske systemer. Med sit kompakte design sparer XV-serien plads i styreskabet, samtidig med at ventilerne har lang levetid og kræver minimal vedligeholdelse. Dette giver øget oppetid og gør serien til et fremragende valg for nutidens krævende produktionsmiljøer.

Vi er nu distributør
Virksomhedsnyt

GAC Governors America Corp

Pr. 15. Februar 2026 er OEM Automatic Klitsø A/S dansk distributør for GAC (Governors America Corp.).

Powerstart Listing
Virksomhedsnyt

Powerstart Limited

Pr. 15. Februar 2026 er OEM Automatic Klitsø A/S dansk distributør for Powerstart Limited.

Skueglas og belysning Listing
Tips og guides

Procesovervågning til lukkede og krævende miljøer

Hos os får du gennemprøvede løsninger til procesovervågning og visuel inspektion i lukkede beholdere og anlæg. Sortimentet omfatter skueglas og belysning fra FH Papenmeier, udviklet til brug i både standard- og krævende industrielle miljøer.

MS filtre
Produktnyheder

Driftssikker filtrering til fødevareprocesser

M&S’ vinkelfiltre og snavssamlere er udviklet til effektiv filtrering og opsamling af procesrester i fødevareindustrien, hvor driftssikkerhed, hygiejne og nem service er afgørende. Et vinkelfilter til fødevarer anvendes til pumpbare medier og beskytter kritiske komponenter som pumper, ventiler og varmevekslere mod slid, tilstopning og uplanlagte driftsstop.

x guard maskinafskaermning
Produktnyheder

X‑Guard maskinafskærmning – fleksible og sikre hegnsystemer til industrien.

At beskytte både mennesker og maskiner er en selvfølge i et sikkert og effektivt produktionsmiljø. Med X‑Guard maskinafskærmning fra Axelent tilbyder vi hos OEM Automatic Klitsø et komplet, modulært og brugervenligt hegnsystem, der opfylder alle gældende krav til maskinsikkerhed og standarder. X‑Guard er udviklet med tre tydelige grundprincipper: fleksibilitet, enkel montering og høj sikkerhed. Resultatet er et smart og velafprøvet system, som i dag er et af markedets mest populære maskinafskærmninger til industrielle miljøer.

Favoritter Artikler Tilslutning luft Vægt Pris
1/8 BSP
1,3 kg
1/8"NPT
1,3 kg
1/8 BSP
1,63 kg
1/8"NPT
1,63 kg

Udvalgt variant

Vælg en variant på listen

Teknisk rådgivning

Henrik Philipsen

Produktchef, Tryk & Flow

Kundeservice
Har du har brug for hjælp? Kontakt os:
Har du brug for hjælp? Klik her!
Logo

COOKIE-INDSTILLINGER FOR OEMKLITSO.DK

Cookies hjælper os med at forbedre din oplevelse med os. Så for at kunne analysere trafikken, håndtere loginoplysninger, tilbyde dig personlige oplysninger og for at grundlæggende funktionalitet kan fungere på webssitet, skal vi bruge nogle cookies.

NØDVENDIGE COOKIES

Disse cookies er nødvendige for, at webstedet fungerer og kan ikke slås fra i vores systemer. De bruges normalt kun som reaktion på handlinger, du har foretaget i forbindelse med en serviceanmodning, f.eks. Når du angiver personlige præferencer, logger ind eller udfylder en formular.

ANALYSE OG MÅLING

Disse cookies giver os mulighed for at tælle antallet af besøg og trafikkilder, så vi kan måle og forbedre vores websteds ydeevne. De hjælper os med at vide, hvilke sider der er mere eller mindre populære, og hvordan besøgende navigerer rundt på webstedet. De oplysninger, som disse cookies indsamler, er aggregerede og derfor helt anonyme. Hvis du ikke tillader disse cookies, ved vi ikke, hvornår du har besøgt vores websted.

MARKEDSFØRING

Disse cookies kan tilføjes af vores partnere. De kan bruge dem til at oprette en profil af dig baseret på dine interesser for at vise dig mere relevante oplysninger. De gemmer ingen personlige oplysninger - kun oplysninger om din browser og enhed. Hvis du ikke accepterer disse cookies, får du en mere generel og mindre tilpasset brugeroplevelse.