TRAFAG

Differenspressostat, marine

Model PSTD

Trafag pressostater bruges, når man ønsker at kontrollere eller overvåge et tryk via et elektrisk on/off-signal. I mekaniske pressostater påvirker målesensoren en elektrisk microswitch, når trykket når den indstillede kontaktværdi. Differenspressostaten fungerer på samme måde, og den bruges til at måle trykfald / trykforskel henover f.eks. et filter.

 

Måleprincippet i PSTD-modellen er en bælg. Det er tydeligt markeret, hvor man tilslutter hhv det høje tryk og det lave tryk (HP og LP). Det solide og robuste design gør, at pressostaterne fra Trafag kan bruges til hydrauliksystemer, i marineindustrien og til andre industrielle applikationer. PSTD fås med indvendigt gevind, eller som option med flangetilslutning for montering på ventilblok. 

 

  • Differenstryk 0...4 el. 0...6 bar
  • Gevind eller flangetilslutning
  • Robust og kompakt design
  • GL

Udvalgt variant

Udvalgt variant

Specifikationer

Chok, mekanisk 50 g / 11 ms
Differenstryk 0...4 bar
Driftstemperatur -25...85°C
Driftstryk -1...6 bar
Elektrisk tilslutning DIN EN175301-803-A
Gentagelsesnøjagtighed, typisk ±1% FS
Godkendelser, marine GL
Hysterese 0,2 bar
IP-klasse IP65
Justering Justeringsskrue
Kontakt Skiftekontakt
Levetid for microswitch 1 mio cykler
Luftfugtighed max 95 % Rh
Materiale Messing
Materiale, sensor Bronze
Max overtryk 8 bar
Medietemperatur fra -25 °C
Medietemperatur til 120 °C
Montagemoment Max 25 Nm
Sensorteknologi Bælg
Temperaturområde lager fra -40 °C
Temperaturområde lager til 85 °C
Trykområde max 4 bar
Trykområde min 0 bar
Tryktilslutning G1/4 F
Type pressostat Differenstryk, Marine
Vægt 800 g
Vibration, resonans ±1,6 mm (5...25Hz), 4 g (25...100Hz)

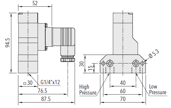
Mål & tilslutninger

Tekniske illustrationer

Produktbeskrivelse

Trafag pressostater bruges, når man ønsker at kontrollere eller overvåge et tryk via et elektrisk on/off-signal. I mekaniske pressostater påvirker målesensoren en elektrisk microswitch, når trykket når den indstillede kontaktværdi. Differenspressostaten fungerer på samme måde, og den bruges til at måle trykfald / trykforskel henover f.eks. et filter.

 

Måleprincippet i PSTD-modellen er en bælg. Det er tydeligt markeret, hvor man tilslutter hhv det høje tryk og det lave tryk (HP og LP). Det solide og robuste design gør, at pressostaterne fra Trafag kan bruges til hydrauliksystemer, i marineindustrien og til andre industrielle applikationer. PSTD fås med indvendigt gevind, eller som option med flangetilslutning for montering på ventilblok. 

 

Tilbehør

Vi er nu distributør
Virksomhedsnyt

GAC Governors America Corp

Pr. 15. Februar 2026 er OEM Automatic Klitsø A/S dansk distributør for GAC (Governors America Corp.).

Powerstart Listing
Virksomhedsnyt

Powerstart Limited

Pr. 15. Februar 2026 er OEM Automatic Klitsø A/S dansk distributør for Powerstart Limited.

Skueglas og belysning Listing
Tips og guides

Procesovervågning til lukkede og krævende miljøer

Hos os får du gennemprøvede løsninger til procesovervågning og visuel inspektion i lukkede beholdere og anlæg. Sortimentet omfatter skueglas og belysning fra FH Papenmeier, udviklet til brug i både standard- og krævende industrielle miljøer.

MS filtre
Produktnyheder

Driftssikker filtrering til fødevareprocesser

M&S’ vinkelfiltre og snavssamlere er udviklet til effektiv filtrering og opsamling af procesrester i fødevareindustrien, hvor driftssikkerhed, hygiejne og nem service er afgørende. Et vinkelfilter til fødevarer anvendes til pumpbare medier og beskytter kritiske komponenter som pumper, ventiler og varmevekslere mod slid, tilstopning og uplanlagte driftsstop.

x guard maskinafskaermning
Produktnyheder

X‑Guard maskinafskærmning – fleksible og sikre hegnsystemer til industrien.

At beskytte både mennesker og maskiner er en selvfølge i et sikkert og effektivt produktionsmiljø. Med X‑Guard maskinafskærmning fra Axelent tilbyder vi hos OEM Automatic Klitsø et komplet, modulært og brugervenligt hegnsystem, der opfylder alle gældende krav til maskinsikkerhed og standarder. X‑Guard er udviklet med tre tydelige grundprincipper: fleksibilitet, enkel montering og høj sikkerhed. Resultatet er et smart og velafprøvet system, som i dag er et af markedets mest populære maskinafskærmninger til industrielle miljøer.

Liag ventil Listing
Produktnyheder

Hygiejniske ventiler fra LIAG – effektiv produktgenvinding og hygiejne i én løsning

I fødevare-, kosmetik- og farmaceutisk industri er der høje krav til hygiejne og effektivitet. Når du arbejder med viskose produkter, pastøse medier eller væsker med partikler, er det afgørende at have en ventil, der sikrer fuld passage, nem rengøring på stedet (CIP) og minimal vedligeholdelse.

Favoritter Artikler Differenstryk Driftstryk Hysterese Max overtryk Trykområde max Pris
0...4 bar
-1...6 bar
0,2 bar
8 bar
4 bar
0...6 bar
-1...8 bar
0,3 bar
12 bar
6 bar

Udvalgt variant

Vælg en variant på listen

Teknisk rådgivning

Mikkel Arlien-Søborg

Produktchef, Tryk & Flow

Kundeservice
Har du har brug for hjælp? Kontakt os:
Har du brug for hjælp? Klik her!
Logo

COOKIE-INDSTILLINGER FOR OEMKLITSO.DK

Cookies hjælper os med at forbedre din oplevelse med os. Så for at kunne analysere trafikken, håndtere loginoplysninger, tilbyde dig personlige oplysninger og for at grundlæggende funktionalitet kan fungere på webssitet, skal vi bruge nogle cookies.

NØDVENDIGE COOKIES

Disse cookies er nødvendige for, at webstedet fungerer og kan ikke slås fra i vores systemer. De bruges normalt kun som reaktion på handlinger, du har foretaget i forbindelse med en serviceanmodning, f.eks. Når du angiver personlige præferencer, logger ind eller udfylder en formular.

ANALYSE OG MÅLING

Disse cookies giver os mulighed for at tælle antallet af besøg og trafikkilder, så vi kan måle og forbedre vores websteds ydeevne. De hjælper os med at vide, hvilke sider der er mere eller mindre populære, og hvordan besøgende navigerer rundt på webstedet. De oplysninger, som disse cookies indsamler, er aggregerede og derfor helt anonyme. Hvis du ikke tillader disse cookies, ved vi ikke, hvornår du har besøgt vores websted.

MARKEDSFØRING

Disse cookies kan tilføjes af vores partnere. De kan bruge dem til at oprette en profil af dig baseret på dine interesser for at vise dig mere relevante oplysninger. De gemmer ingen personlige oplysninger - kun oplysninger om din browser og enhed. Hvis du ikke accepterer disse cookies, får du en mere generel og mindre tilpasset brugeroplevelse.