WIKA

Hygiejnisk dyklomme med svejsekugle

Serie TW22

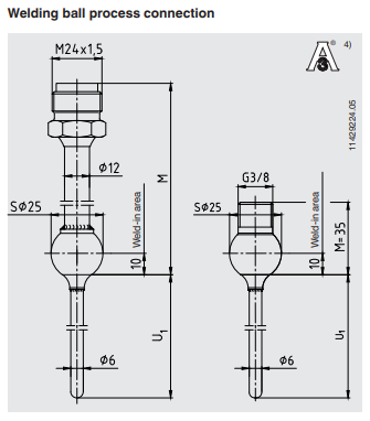
Serie TW22 er en aseptisk dyklomme fra WIKA, i dette tilfælde med svejsekugledesign. Dyklommen er tilpasset til modstandsfølere type TR21-A eller TR22-A, alternativt et gevind termometer, også fra WIKA. Hele sensoren kan trækkes ud af dykkerøret, hvilket muliggør kalibrering af hele målekæden på stedet uden at frakoble elektriske forbindelser. Derudover er det som vanligt med dykkerrør, at intet i processen behøver at åbnes under service.

Når den kombineres med model TR22-A, er gevindtilslutningen justerbar, hvilket betyder, at huset kan indstilles til den ønskede vinkel.

  • Passer til TR21-A, TR22-A eller følere af forskellige slags
  • Svejsekugle Ø25mm
  • Ned til Ra < 0.38 µm elektropoleret
  • Passer til følere 3, 6 eller 8mm
  • 3-A og EHEDGE godkendt

Udvalgt variant

Udvalgt variant

Specifikationer

Godkendelser 3-A, EHEDG
Indstikslængde 50 mm
Inside diameter 3 mm
Længde 135 mm
Materiale medieberørte del Rustfrit stål 316L
Neck length 0,085 m
Plug diameter 6 mm

Produktbeskrivelse

Serie TW22 er en aseptisk dyklomme fra WIKA, i dette tilfælde med svejsekugledesign. Dyklommen er tilpasset til modstandsfølere type TR21-A eller TR22-A, alternativt et gevind termometer, også fra WIKA. Hele sensoren kan trækkes ud af dykkerøret, hvilket muliggør kalibrering af hele målekæden på stedet uden at frakoble elektriske forbindelser. Derudover er det som vanligt med dykkerrør, at intet i processen behøver at åbnes under service.

Når den kombineres med model TR22-A, er gevindtilslutningen justerbar, hvilket betyder, at huset kan indstilles til den ønskede vinkel.

Tilbehør

Relaterede produkter

Tips og guides

Lær mere om strømforsyninger

Vi tilbyder et komplet sortiment af strømforsyninger, redundante systemer, DC-UPS og en række specialtilpassede enheder til f.eks. eksplosionsfarlige miljøer (ATEX) eller NEC class 2-kredsløb fra vores producent PULS. Strømforsyninger til 110 V DC indspænding med strømkapacitet fra 0,6 A op til 20 A (24 V DC).

Smart-Line af Zimmerlin
Produktnyheder

Tankdæksler på rekordtid med Smart-Line

Nu kan du få præfabrikerede og konfigurerbare trykdæksler leveret på kun 2 uger – en hurtig og fleksibel løsning, der sparer dig både tid og besvær.

XV Ventiltermial
Produktnyheder

Modulær ventilterminal fra Aventics – XV-serien

Aventics XV-serie fra Emerson muliggør øget fleksibilitet og effektivitet i produktionssystemer. Den moderne ventilteknologi i denne serie forbedrer udnyttelsen af trykluft og optimerer ydeevnen i pneumatiske systemer. Med sit kompakte design sparer XV-serien plads i styreskabet, samtidig med at ventilerne har lang levetid og kræver minimal vedligeholdelse. Dette giver øget oppetid og gør serien til et fremragende valg for nutidens krævende produktionsmiljøer.

Omkostningseffektiv niveaumåling
Produktnyheder

Omkostningseffektiv og pålidelig niveaumåling med Rosemount 1208 niveau- og flowradar

Efterhånden som kravene til pålidelig niveau- og flowmåling stiger, bliver behovet for smartere og mere robust teknologi stadig vigtigere. Med Rosemount 1208 niveau- og flowradar præsenterer vi hos OEM Automatic en ny, berøringsfri niveauradar, der kombinerer høj præcision med nem installation – uanset om det er vand, havre eller kemikalier.

Tescom Trykregulatorer
Produktnyheder

TESCOM MULTI-PURPOSE TRYKREGULATORER

Vi tilbyder et bredt udvalg af Tescom trykregulatorer, der dækker alt fra laboratorieanalyser til industrielle gasinstallationer. Tescom er kendt for sin høje kvalitet, fleksibilitet og pålidelighed – uanset om du arbejder med brandfarlige gasser, kalibreringsudstyr eller trykpaneler.

Accredia logo
Produktnyheder

Senseca Italy Calibration Center opdaterer akkrediteringsnummer og logo

Fra og med 2025 har ACCREDIA introduceret et nyt logo og ændret logikken for tildeling af akkrediteringsnumre til kalibreringslaboratorier. Som følge heraf er Sensecas akkrediteringsnummer nu 00171, hvilket erstatter det tidligere LAT 124.

Senseca har fuldført denne opdatering inden den officielle deadline den 30. september 2025, og vi er glade for at kunne informere om, at alle nødvendige tilpasninger er implementeret.

Favoritter Artikler Indstikslængde Inside diameter Længde Neck length Plug diameter Pris
50 mm
3 mm
135 mm
0,085 m
6 mm
100 mm
3 mm
185 mm
0,085 m
6 mm
50 mm
3 mm
85 mm
0,035 m
6 mm
100 mm
3 mm
135 mm
0,035 m
6 mm
50 mm
6 mm
135 mm
0,085 m
8 mm
100 mm
6 mm
185 mm
0,085 m
8 mm

Udvalgt variant

Vælg en variant på listen

Teknisk rådgivning

Mikkel Arlien-Søborg

Kundeservice
Har du har brug for hjælp? Kontakt os:
Har du brug for hjælp? Klik her!
Logo

COOKIE-INDSTILLINGER FOR OEMKLITSO.DK

Cookies hjælper os med at forbedre din oplevelse med os. Så for at kunne analysere trafikken, håndtere loginoplysninger, tilbyde dig personlige oplysninger og for at grundlæggende funktionalitet kan fungere på webssitet, skal vi bruge nogle cookies.

NØDVENDIGE COOKIES

Disse cookies er nødvendige for, at webstedet fungerer og kan ikke slås fra i vores systemer. De bruges normalt kun som reaktion på handlinger, du har foretaget i forbindelse med en serviceanmodning, f.eks. Når du angiver personlige præferencer, logger ind eller udfylder en formular.

ANALYSE OG MÅLING

Disse cookies giver os mulighed for at tælle antallet af besøg og trafikkilder, så vi kan måle og forbedre vores websteds ydeevne. De hjælper os med at vide, hvilke sider der er mere eller mindre populære, og hvordan besøgende navigerer rundt på webstedet. De oplysninger, som disse cookies indsamler, er aggregerede og derfor helt anonyme. Hvis du ikke tillader disse cookies, ved vi ikke, hvornår du har besøgt vores websted.

MARKEDSFØRING

Disse cookies kan tilføjes af vores partnere. De kan bruge dem til at oprette en profil af dig baseret på dine interesser for at vise dig mere relevante oplysninger. De gemmer ingen personlige oplysninger - kun oplysninger om din browser og enhed. Hvis du ikke accepterer disse cookies, får du en mere generel og mindre tilpasset brugeroplevelse.