TRAFAG

Tryktransmitter, marine, ekstra robust

Model N

Model N er en robust konstrueret tryktransmitter til brug i hårde industrielle applikationer, som f.eks skibsmotorer. Den kan tåle en medietemperatur fra -25°C...+125°C. Det meget robuste design gør den let at montere, selv med store, skærmede kabler.
Den fuldsvejste målecelle gør, at der ikke er unødige pakninger, og alle medieberørte dele er i rustfrit stål. Den har en rigtig god langtidsstabilitet samtidig med, at den er modsttandsdygtig over for overtryk.

Det yderst fleksible transmitterprogram indeholder mange forskellige muligheder for andre signaler, tilslutninger osv. Kontakt os for yderligere informationer.

 

  • Nøjagtighed 0,5% FS typ.
  • G1/4 indvendig
  • Måleområde 0...1 til 0...600 bar
  • ABS, BV, CCS, DNV, GL, KRS, LRS, RINA

Udvalgt variant

Udvalgt variant

Specifikationer

Chok, mekanisk 50 g / 11 ms
Driftstemperatur -25...85°C
Elektrisk tilslutning Skrueterminaler
EMC EN/IEC61000-6-3, 61000-6-2
Forsyningsspænding 9-32 VDC
Godkendelser, marine ABS, BV, CCS, DNV, GL, KRS, LRS, Rina
IP-klasse IP65
Kabelforskruning M20x1,5
Langtidsstabilitet, typisk <±0,2% FS
Materiale hus Aluminium, Epoxy
Materiale pakning NBR
Max overtryk 6 bar
Medieberørte dele, procestilslutning Rustfrit stål 316L
Medieberørte dele, sensor Rustfrit stål 630
Medietemperatur fra -25 °C
Medietemperatur til 125 °C
Montagemoment 25 Nm
Måleområde 0-2,5 bar
Måleprincip Tyndfilm
NLH (BSL gennem nul), typisk ±0,3% FS
Nøjagtighed v. 25°C, typisk ±0,5% FS
Sprængtryk 100 bar
Stigningstid, typisk 1 ms (10...90% FS)
Total error band, typisk ±2% FS
Tryktilslutning G1/4 F
Udgangssignal 4-20 mA
Undertryksgrænse Ufølsom overfor vacuum
Vægt 520 g
Vibration, resonans 6 g (25...2000Hz)

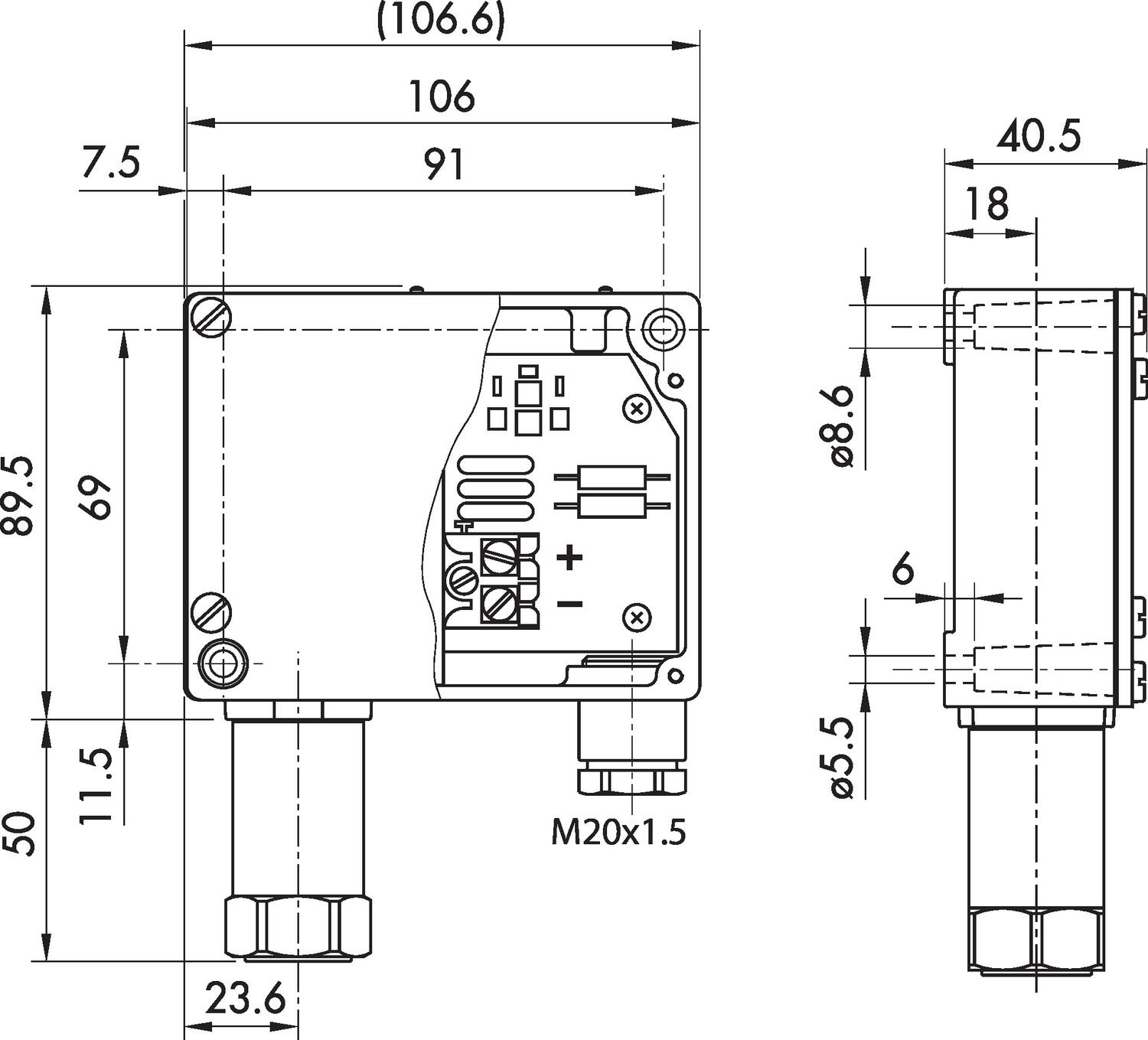
Mål & tilslutninger

Produktbeskrivelse

Model N er en robust konstrueret tryktransmitter til brug i hårde industrielle applikationer, som f.eks skibsmotorer. Den kan tåle en medietemperatur fra -25°C...+125°C. Det meget robuste design gør den let at montere, selv med store, skærmede kabler.
Den fuldsvejste målecelle gør, at der ikke er unødige pakninger, og alle medieberørte dele er i rustfrit stål. Den har en rigtig god langtidsstabilitet samtidig med, at den er modsttandsdygtig over for overtryk.

Det yderst fleksible transmitterprogram indeholder mange forskellige muligheder for andre signaler, tilslutninger osv. Kontakt os for yderligere informationer.

 

Tilbehør

x guard maskinafskaermning
Produktnyheder

X‑Guard maskinafskærmning – fleksible og sikre hegnsystemer til industrien.

At beskytte både mennesker og maskiner er en selvfølge i et sikkert og effektivt produktionsmiljø. Med X‑Guard maskinafskærmning fra Axelent tilbyder vi hos OEM Automatic Klitsø et komplet, modulært og brugervenligt hegnsystem, der opfylder alle gældende krav til maskinsikkerhed og standarder. X‑Guard er udviklet med tre tydelige grundprincipper: fleksibilitet, enkel montering og høj sikkerhed. Resultatet er et smart og velafprøvet system, som i dag er et af markedets mest populære maskinafskærmninger til industrielle miljøer.

Liag ventil Listing
Produktnyheder

Hygiejniske ventiler fra LIAG – effektiv produktgenvinding og hygiejne i én løsning

I fødevare-, kosmetik- og farmaceutisk industri er der høje krav til hygiejne og effektivitet. Når du arbejder med viskose produkter, pastøse medier eller væsker med partikler, er det afgørende at have en ventil, der sikrer fuld passage, nem rengøring på stedet (CIP) og minimal vedligeholdelse.

Lær mere om fødevarer_Listing
Tips og guides

Fødevarer - Hygiejne & proceskontrol

Når det kommer til komponenter, der skal anvendes i fødevareproduktion, sætter vi kvalitet og sikkerhed i højsædet for at sikre, at de lever op til de højeste standarder og følger branchens regler. Ved valg af komponenter er materialevalg, korrekt godkendelse, kompatibilitet og pålidelighed helt afgørende faktorer i denne branche. Hver komponent skal vælges omhyggeligt og tilpasses for at imødekomme de strenge krav, der stilles.

Tips og guides

Lær mere om strømforsyninger

Vi tilbyder et komplet sortiment af strømforsyninger, redundante systemer, DC-UPS og en række specialtilpassede enheder til f.eks. eksplosionsfarlige miljøer (ATEX) eller NEC class 2-kredsløb fra vores producent PULS. Strømforsyninger til 110 V DC indspænding med strømkapacitet fra 0,6 A op til 20 A (24 V DC).

Smart-Line af Zimmerlin
Produktnyheder

Tankdæksler på rekordtid med Smart-Line

Nu kan du få præfabrikerede og konfigurerbare trykdæksler leveret på kun 2 uger – en hurtig og fleksibel løsning, der sparer dig både tid og besvær.

XV Ventiltermial
Produktnyheder

Modulær ventilterminal fra Aventics – XV-serien

Aventics XV-serie fra Emerson muliggør øget fleksibilitet og effektivitet i produktionssystemer. Den moderne ventilteknologi i denne serie forbedrer udnyttelsen af trykluft og optimerer ydeevnen i pneumatiske systemer. Med sit kompakte design sparer XV-serien plads i styreskabet, samtidig med at ventilerne har lang levetid og kræver minimal vedligeholdelse. Dette giver øget oppetid og gør serien til et fremragende valg for nutidens krævende produktionsmiljøer.

Favoritter Artikler Max overtryk Måleområde Sprængtryk Pris
6 bar
0-2,5 bar
100 bar
10 bar
0-4 bar
100 bar
15 bar
0-6 bar
100 bar
20 bar
0-10 bar
200 bar
32 bar
0-16 bar
200 bar
80 bar
0-25 bar
300 bar
80 bar
0-40 bar
300 bar
200 bar
0-100 bar
500 bar
500 bar
0-250 bar
1000 bar
800 bar
0-400 bar
1500 bar

Udvalgt variant

Vælg en variant på listen

Teknisk rådgivning

Mikkel Arlien-Søborg

Produktchef, Tryk & Flow

Kundeservice
Har du har brug for hjælp? Kontakt os:
Har du brug for hjælp? Klik her!
Logo

COOKIE-INDSTILLINGER FOR OEMKLITSO.DK

Cookies hjælper os med at forbedre din oplevelse med os. Så for at kunne analysere trafikken, håndtere loginoplysninger, tilbyde dig personlige oplysninger og for at grundlæggende funktionalitet kan fungere på webssitet, skal vi bruge nogle cookies.

NØDVENDIGE COOKIES

Disse cookies er nødvendige for, at webstedet fungerer og kan ikke slås fra i vores systemer. De bruges normalt kun som reaktion på handlinger, du har foretaget i forbindelse med en serviceanmodning, f.eks. Når du angiver personlige præferencer, logger ind eller udfylder en formular.

ANALYSE OG MÅLING

Disse cookies giver os mulighed for at tælle antallet af besøg og trafikkilder, så vi kan måle og forbedre vores websteds ydeevne. De hjælper os med at vide, hvilke sider der er mere eller mindre populære, og hvordan besøgende navigerer rundt på webstedet. De oplysninger, som disse cookies indsamler, er aggregerede og derfor helt anonyme. Hvis du ikke tillader disse cookies, ved vi ikke, hvornår du har besøgt vores websted.

MARKEDSFØRING

Disse cookies kan tilføjes af vores partnere. De kan bruge dem til at oprette en profil af dig baseret på dine interesser for at vise dig mere relevante oplysninger. De gemmer ingen personlige oplysninger - kun oplysninger om din browser og enhed. Hvis du ikke accepterer disse cookies, får du en mere generel og mindre tilpasset brugeroplevelse.